PAE 2021 Détection synchrone
Sommaire
Introduction
Lors de la transmission d'un signal, le bruit s'avère être un phénomène très gênant dans le sens où il peut noyer le signal et faire perdre en information. Pour atténuer ce phénomène la technique de "Détection synchrone" qui consiste a convoluer le signal avec une porteuse de fréquence plus grande avant la transmission puis de convoluer une seconde fois avec la même porteuse à la réception du signal pour récupérer celui ci avec un bruit atténué après filtrage passe bas.
Principe
la fréquence de la porteuse Fp doit être >> devant celle du signal que l'on veut transmettre.
Implémentation Matlab
Ce code nous permet de tester jusqu'a quel niveau de bruit cette méthode est efficace. On se rend compte que jusqu’à des amplitudes de bruit 3,5 fois plus importantes que le signal on arrive à récupérer le signal avec une qualité qui nous permet de traiter ce signal .
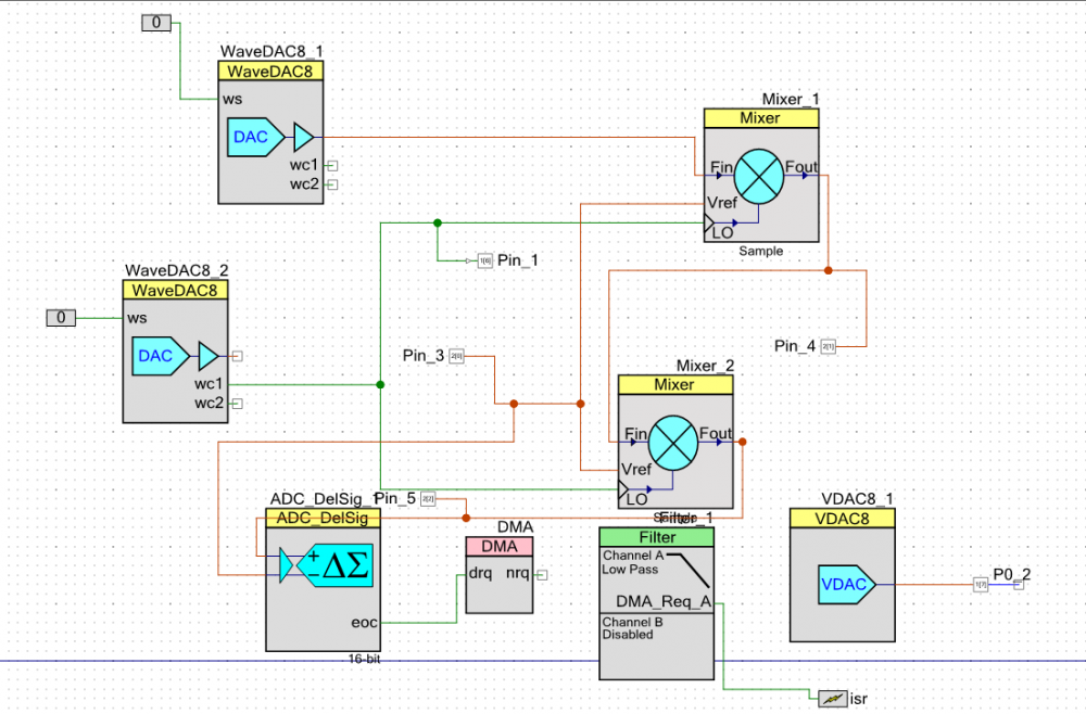
Transmition par psoc 4.4
L'implémentation de la détection synchrone sur Psoc est possible chacun des blocs présentés dans la partie 2. Ci dessous est représenté le TopDesign présent sur psoc qui effectue toutes les opérations jusqu'au filtrage.
le signal de base était une Sinusoïde de fréquence 100Hz qu'on à modulé avec une porteuse de fréquence 2kHz
on obtient le signal :
après une deuxième convolution par la porteuse on obtient le signal Démodulé :
après conversion grace a un Delsig et filtrage passe bas à la fréquence fc=400Hz.
Version Hardware
Convolutions de signaux crées par un GBF
signal créneaux de fréquence 100 Hz bruité par un bruit blanc convolé a une porteuse sinusoïdale de fréquence 1 kHz.
